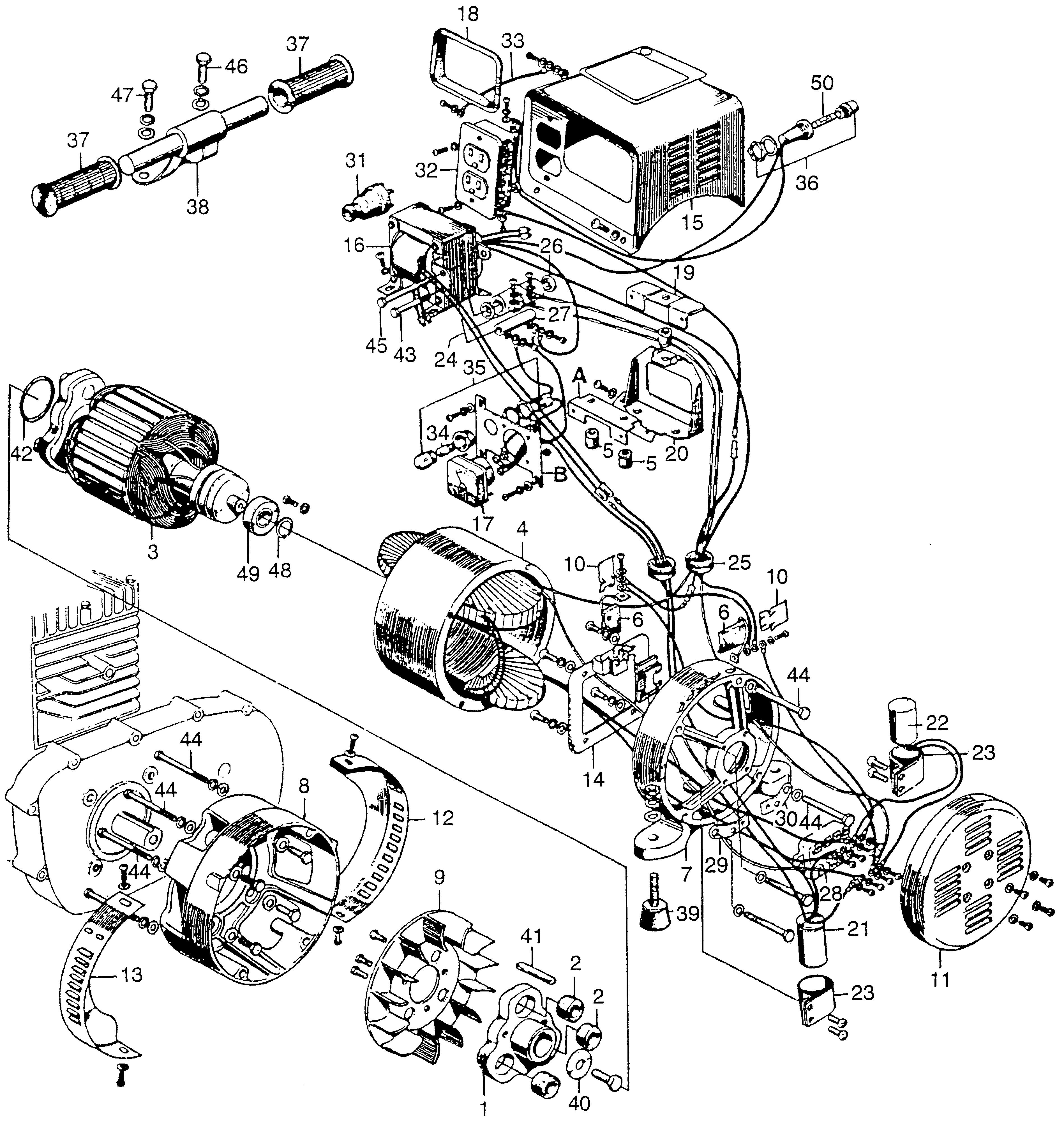
Generators EG EG1500 EG1500 A G41-1018501-1071999 EG1500 CONTROL BOX@GENERATOR - Alpine Smith, Inc.

Ref No
Part Number
Description
Serial Range
Qty
Price

Ref No
1
Part Number
13341-842-000
Description
FLANGE, COUPLING A
Serial Range
1000001 - 9999999

Ref No
2
Part Number
13345-842-010
Description
RUBBER, COUPLING
Serial Range
1000001 - 9999999

Ref No
3
Part Number
31104-842-672
Description
ROTOR ASSY.
Serial Range
1000001 - 9999999

Ref No
4
Part Number
31105-851-158H
Description
STATOR ASSY. *R8* (BRIGHT RED)
Serial Range
1000001 - 9999999

Ref No
5
Part Number
31107-830-168
Description
RUBBER, FRICTION (NOT AVAILABLE)
Serial Range
1000001 - 9999999

Ref No
6
Part Number
31107-842-168
Description
BRUSH (NOT AVAILABLE)
Serial Range
1000001 - 9999999

Ref No
7
Part Number
31108-851-158
Description
COVER, END
Serial Range
1000001 - 9999999

Ref No
8
Part Number
31109-851-158
Description
COVER, FR.
Serial Range
1000001 - 9999999

Ref No
9
Part Number
31111-842-158
Description
FAN, GENERATOR
Serial Range
1000001 - 9999999

Ref No
10
Part Number
31112-842-168
Description
SPRING, BRUSH (NOT AVAILABLE)
Serial Range
1000001 - 9999999

Ref No
11
Part Number
31113-851-158H
Description
COVER, CLEANER *R8* (BRIGHT RED)
Serial Range
1000001 - 9999999

Ref No
12
Part Number
31181-854-158H
Description
PROTECTOR A, GENERATOR FAN *R8* (BRIGHT RED)
Serial Range
1000001 - 9999999

Ref No
13
Part Number
31182-854-158H
Description
PROTECTOR B, GENERATOR FAN *R8* (BRIGHT RED)
Serial Range
1000001 - 9999999

Ref No
14
Part Number
31206-842-168
Description
PLATE ASSY., RIG
Serial Range
1000001 - 9999999

Ref No
15
Part Number
31402-851-158H
Description
PANEL, CONTROL *R8* (BRIGHT RED)
Serial Range
1000001 - 9999999

Ref No
16
Part Number
31403-851-671
Description
TRANSFORMER, CURRENT
Serial Range
1000001 - 9999999

Ref No
17
Part Number
31411-846-158
Description
VOLTMETER
Serial Range
1000001 - 9999999

Ref No
18
Part Number
31412-846-158
Description
DAMPER
Serial Range
1000001 - 9999999

Ref No
19
Part Number
31420-842-158
Description
PANEL, METER
Serial Range
1000001 - 9999999

Ref No
20
Part Number
31421-842-158
Description
BASE, MOUNT
Serial Range
1000001 - 9999999

Ref No
21
Part Number
31426-842-158
Description
CONDENSER A
Serial Range
1000001 - 9999999

Ref No
22
Part Number
31429-842-158
Description
CONDENSER B
Serial Range
1000001 - 9999999

Ref No
23
Part Number
31430-842-158
Description
HOLDER B
Serial Range
1000001 - 9999999

Ref No
24
Part Number
31452-851-671
Description
RESISTOR, RF
Serial Range
1000001 - 9999999

Ref No
25
Part Number
31472-842-158
Description
GROMMET, WIRE
Serial Range
1000001 - 9999999

Ref No
26
Part Number
31475-842-158
Description
WASHER, RESISTOR
Serial Range
1000001 - 9999999

Ref No
27
Part Number
31478-851-158
Description
RESISTOR, RP
Serial Range
1000001 - 9999999

Ref No
28
Part Number
31517-842-158
Description
STACK, DIODE (NOT AVAILABLE)
Serial Range
1000001 - 9999999

Ref No
29
Part Number
31518-842-158
Description
HOLDER, DIODE A
Serial Range
1000001 - 9999999

Ref No
30
Part Number
31519-842-158
Description
HOLDER, DIODE B
Serial Range
1000001 - 9999999

Ref No
31
Part Number
32310-812-640
Description
PLUG ASSY., RECEPTACLE
Serial Range
1000001 - 9999999
Qty
Price
$6.70

Ref No
32
Part Number
32330-846-158
Description
RECEPTACLE
Serial Range
1000001 - 9999999

Ref No
33
Part Number
32601-842-158
Description
WIRE, GROUND
Serial Range
1000001 - 9999999

Ref No
34
Part Number
34909-880-000
Description
BULB, DASH (24V-2W)
Serial Range
1000001 - 9999999
Qty
Price
$8.34

Ref No
35
Part Number
37561-815-158
Description
SOCKET ASSY., PILOT LAMP
Serial Range
1000001 - 9999999

Ref No
36
Part Number
38211-842-168
Description
HOLDER, FUSE (NOT AVAILABLE)
Serial Range
1000001 - 9999999

Ref No
37
Part Number
95011-12200
Description
GRIP B, L. HANDLEBAR
Serial Range
1000001 - 9999999

Ref No
38
Part Number
68110-848-940
Description
HANDLE, CARRYING
Serial Range
1000001 - 9999999

Ref No
39
Part Number
68311-842-000
Description
RUBBER, GENERATOR (LOWER) (NOT AVAILABLE)
Serial Range
1000001 - 9999999

Ref No
40
Part Number
90473-842-000
Description
WASHER (8MM)
Serial Range
1000001 - 9999999
Qty
Price
$1.88

Ref No
41
Part Number
90741-889-810
Description
KEY (7X7X33) (OVER SIZE) (YELLOW)
Serial Range
1000001 - 9999999
Qty
Price
$9.32

Ref No
42
Part Number
91301-428-003
Description
O-RING (35.5X3) (NOK)
Serial Range
1000001 - 9999999
Qty
Price
$2.70

Ref No
43
Part Number
92000-05055-0A
Description
BOLT, HEX. (5X55) (NOT AVAILABLE)
Serial Range
1000001 - 9999999

Ref No
44
Part Number
92101-06055-0A
Description
BOLT, HEX. (6X55)
Serial Range
1000001 - 9999999

Ref No
45
Part Number
92000-06085
Description
BOLT, HEX. (6X82) (NOT AVAILABLE)
Serial Range
1000001 - 9999999

Ref No
46
Part Number
92101-08014-0A
Description
BOLT, HEX. (8X14)
Serial Range
1000001 - 9999999
Qty
Price
$1.96

Ref No
47
Part Number
92000-08022-0A
Description
BOLT, HEX. (8X22)
Serial Range
1000001 - 9999999

Ref No
47
Part Number
92101-08022-0A
Description
BOLT, HEX. (8X22) (NOT AVAILABLE)
Serial Range
1000001 - 9999999

Ref No
48
Part Number
94510-17000
Description
CIRCLIP (OUTER) (17MM)
Serial Range
1000001 - 9999999
Qty
Price
$1.48

Ref No
49
Part Number
96150-62030-10
Description
BEARING, RADIAL BALL (6203UU)
Serial Range
1000001 - 9999999
Qty
Price
$21.28

Ref No
50
Part Number
98200-11500
Description
FUSE (15A)
Serial Range
1000001 - 9999999